Series 350 Classic

Discontinued Model
350.050.075.0 product image
igus-icon-lupe
350.050.075.0 technical drawing
igus-icon-lupe
1 of 2
350.050.075.0 product image
350.050.075.0 technical drawing
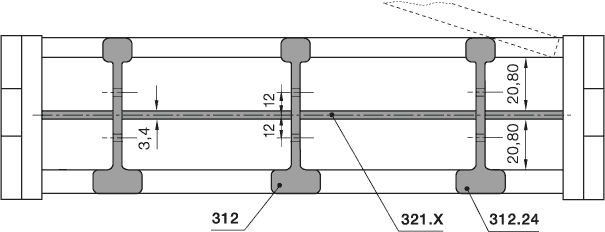
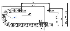
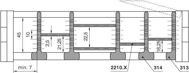
Inner height [Hi]
Inner height [Hi]
45 mm
Max. cable diameter
Max. cable diameter
42 mm
Opening principle
Opening principle
Openable along outer radius
Inner width [Bi]
Inner width [Bi]
50 mm
Bend radius [R]
Bend radius [R]
75 mm
What can we improve for you? Give us your feedback.

About igus®

Services

Contact

Our payment methods

  • Purchase on account

    Follow us

      Stay up to date and sign up for the igus® newsletter here.

      igus-icon-globeLanguage:English|Country:Bulgaria

      The terms "Apiro", "AutoChain", "CFRIP", "chainflex", "chainge", "chains for cranes", "ConProtect", "cradle-chain", "CTD", "drygear", "drylin", "dryspin", "dry-tech", "dryway", "easy chain", "e-chain", "e-chain systems", "e-ketten", "e-kettensysteme", "e-loop", "energy chain", "energy chain systems", "enjoyneering", "e-skin", "e-spool", "fixflex", "flizz", "i.Cee", "ibow", "igear", "iglidur", "igubal", "igumid", "igus", "igus improves what moves", "igus:bike", "igusGO", "igutex", "iguverse", "iguversum", "kineKIT", "kopla", "manus", "motion plastics", "motion polymers", "motionary", "plastics for longer life", "print2mold", "Rawbot", "RBTX", "RCYL", "readycable", "readychain", "ReBeL", "ReCyycle", "reguse", "robolink", "Rohbot", "savfe", "speedigus", "superwise", "take the dryway", "tribofilament", "tribotape", "triflex", "twisterchain", "when it moves, igus improves", "xirodur", "xiros" and "yes" are legally protected trademarks of the igus® SE & Co. KG/ Cologne in the Federal Republic of Germany and where applicable in some foreign countries. This is a non-exhaustive list of trademarks (e.g. pending trademark applications or registered trademarks) of igus SE & Co. KG or affiliated companies of igus in Germany, the European Union, the USA and/or other countries or jurisdictions.

      igus® SE & Co. KG points out that it does not sell any products of the companies Allen Bradley, B&R, Baumüller, Beckhoff, Lahr, Control Techniques, Danaher Motion, ELAU, FAGOR, FANUC, Festo, Heidenhain, Jetter, Lenze, LinMot, LTi DRiVES, Mitsubishi, NUM,Parker, Bosch Rexroth, SEW, Siemens, Stöber and all other drive manufacturers mention on this website. The products offered by igus® are those of igus® SE & Co. KG